Plate Rolling Machine Design Calculations Pdf at Design

Best design Tips and References website . Search anything about design Ideas in this website.

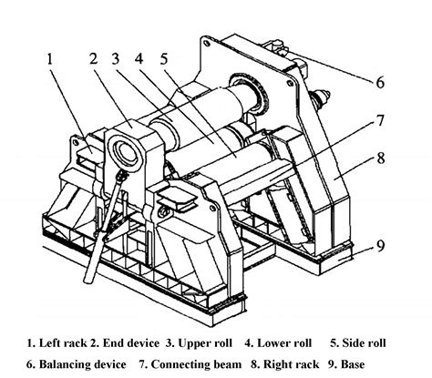
Plate Rolling Machine Design Calculations Pdf. A project report on design and fabrication of sheet metal rolling machine submitted by harshdeep singh inayatullah farooqui under the guidance of prof. The experimental performed on sheet having dimensions (250 x 400 ) mm.

W11SNC16x3000 Plate Bending Machine, Plate Roller, Plate
W11SNC16x3000 Plate Bending Machine, Plate Roller, Plate from www.plate-rolling-machine.com

Mehar, “improving the productivity of sheet bending operation in pipe manufacturing industry”, m. Materials are used for design of three roller bending machine are as follows 1) cold rolled sheet metal (crca) 2) hot rolled sheet metal (hr) thickness of sheet usedpractically varies from 0.8mm to 1.5 mm. Download plate rolling machine calculation free to listen on your mobile device, ipods, computers and can be even burnt into a cd.

W11SNC16x3000 Plate Bending Machine, Plate Roller, Plate

Figure 3.1 setup of machine for rolling operation figure 3.2 setup of machine for bending operation conclusion the project design and fabrication work completed successfully. Plate bending machine s roll diameter calculations. Operating parameters of the machine begin with selecting the correct machine to roll the part on. The aim of the research is to design a rolling machine that can roll metal sheets of up to 3 mm thickness.