Pn Sequence Generator Circuit Design at Design

Best design Tips and References website . Search anything about design Ideas in this website.

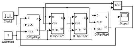
Pn Sequence Generator Circuit Design. Here we are designing a sequence generator using d ffs in different steps. • spread the bandwidth of baseband modulated signal to the much larger bandwidth before transmission • to distiguish between different users by allocating unique pn sequences to them.

Circuit Design of a Sequence Detector VLSIFacts
Circuit Design of a Sequence Detector VLSIFacts from www.vlsifacts.com

At the end of the 8 bit pn sequence generator circuit. In the first two cases, the pn sequence is reset at the fourth bit, because the fourth bit of the reset signal is a 1 and the sample time is 1. Universal length 4 sequence detector this one detects 1011 or 0101 or 0001 or 0111 sequence transformation serial binary adder (arbitrary length operands) 0 1 00/0 01/1 10/1 01/0 10/0 11/1 11/0 00/1 elec 326 8 sequential circuit design 2.

Circuit Design of a Sequence Detector VLSIFacts

Hence, in the diagram, the output is written outside the states, along with. This paper implements 8, 16 and 32 bit lfsr for pn sequence generation using vhdl to study its performance and analyse the behaviour of its randomness. Where h can be either 1 (short circuit) or 0 (open circuit) and x's are the shift registers. I this implies that :